Susisiekite su mumis
- Lijiacao Pramonės Parkas, Cheng Yang Rajonas. Čingdao Miestas, Kinija
- info@lomoflex.com
- +8613863960269

Aprašymas
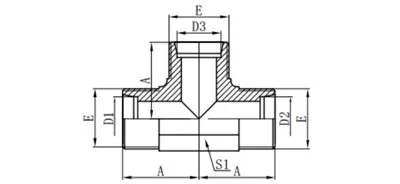
Aprašymas:7t bspt moteriškos
Dalis ne .: 7T

Mūsų produktai:





Mūsų gamykla

Populiarus Žymos: „7t Bspt“ moteris, Kinija 7t BSPT moterų gamintojos, tiekėjai, gamyklos
Tau taip pat gali patikti
Siųsti užklausą















